
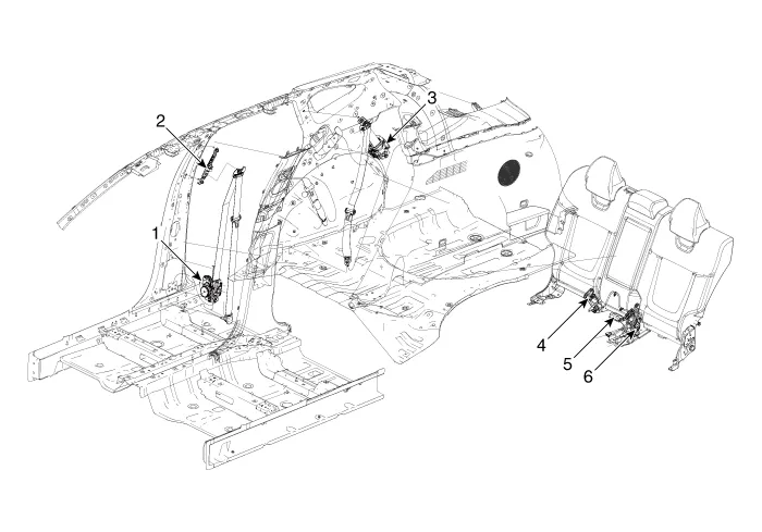
1. Front seat belt retractor
2. Height adjust
3. Rear seat belt retractor
4. Rear seat belt buckle [RH]
5. Rear seat belt buckle [CTR]
6. Rear seat belt buckle [LH]

1. Front seat belt pretensioner
• When installing the belt, make sure not to damage the pretensioner.
1.Disconnect the negative (-) battery terminal.
2.Remove the center pillar upper trim.(Refer to Interior Trim - "Center Pillar Trim")
3.Loosen the mounting bolt and remove the front seat belt upper anchor (A).
Tightening torque :39.2 - 53.9 N.m (4.0 - 5.5 kgf.m , 28.9 - 39.8 lb-ft)

4.Press the lock pin and separate the front seat belt pretensioner connector (A).

5.Loosen the mounting bolt and remove the front seat belt pretensioner (A).
Tightening torque :39.2 - 53.9 N.m (4.0 - 5.5 kgf.m , 28.9 - 39.8 lb-ft)

6.To install, reverse removal procedure.
• When installing the connector, be sure to insert it to the anchor pretensioner until "click" sound is heard and then check it for secure installation by pulling it.
• After installing the front seat belt retractor, check that the air bag warning indicator illuminates for about 6 seconds when the ignition is ON and then goes out.
• Make sure the connector is plugged in properly.
• Replace any damaged clips (or pin-type retainers).

1. Height adjust
1.Remove the front seat belt upper anchor.(Refer to Front Seat Belt - "Front Seat Belt Pretensioner")
2.After loosening the mounting bolts, then remove the height adjust (A).
Tightening torque :39.2 - 53.9 N.m (4.0 - 5.5 kgf.m , 28.9 - 39.8 lb-ft)

3.To install, reverse removal procedure.
• Replace any damaged clips (or pin-type retainers).

1. Front seat belt buckle
1.Remove the front seat assembly.(Refer to Front Seat - "Front Seat Assembly")
2.After loosening the mounting bolt, then remove the front seat belt buckle (A).
Tightening torque :39.2 - 53.9 N.m (4.0 - 5.5 kgf.m , 28.9 - 39.8 lb-ft)

3.To install, reverse removal procedure.
• Make sure the connector is plugged in properly.
Rear Seat Frame AssemblyHyundai Tucson (NX4) 2022-2026 Owner's Manual: Maintenance When Towing a
Trailer
Your vehicle needs servicing more
often when you regularly pull a trailer.
Important items to pay particular
attention to include engine oil,
transmission fluid, axle lubricant, and
cooling system fluid. Brake condition
is another important item to frequently
check. If you are traileri ...
Hyundai Tucson (NX4) 2022-2026 Owner's Manual: Pretensioner seat belt (for driver
and front passenger seat)
1: Retractor pretensioner,
2: Emergency fastening device (for driver’s seat only)
Your vehicle is equipped with driver’s
Pretensioner seat belts (Retractor
Pretensioner and Emergency Fastening
Device System). The pretensioner makes
sure the driver's and front passenger's
seat belt ...