
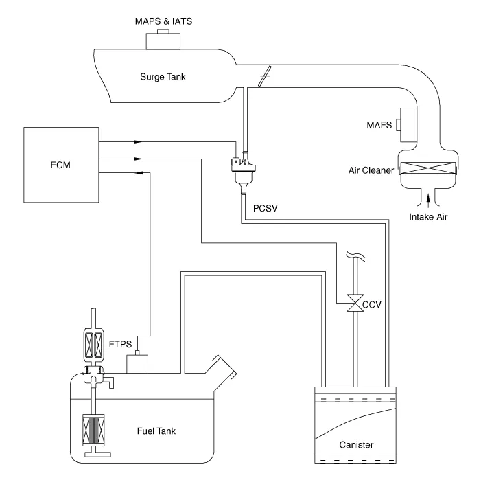
• MAPS : Manifold Absolute Pressure Sensor
• PCSV : Purge Control Solenoid Valve
• MAFS : Mass Air Flow Sensor
• FTPS : Fuel Tank Pressure Sensor
• CCV : Canister Close Valve
• Be careful not to damage the parts located under the vehicle (floor under cover, canister, fuel tank) when raising the vehicle using the lift.(Refer to General Information - "Lift and Support Points")
1.Turn the ignition switch OFF and disconnect the battery (-) terminal.
2.Remove the floor under cover (A).
Tightening Torque :7.9 - 11.8 N.m (0.8 - 1.2 kgf.m, 5.8 - 8.7 lb-ft)

3.Separate the ventilation hose (A).

4.Disconnect the canister close valve connector (A).

5.Remove the wiring fixing clip (A).

6.Lifting the fixed part (A) and then rotating CCV (B) 30 degrees in the direction of the arrow.

7.Disconnect the vapor hose quick-connector (A).

8.Remove the canister (A) after loosening the mounting nuts.
Tightening Torque :18.6 - 23.5 N.m (1.9 - 2.4 kgf.m, 13.7 - 17.4 lb-ft)

1.Install in the reverse order of removal.
1.Check for the following items visually.
– Cracks or leakage of the canister
– Loose connection, distortion, or damage of the vapor hose/tube

• Be careful not to damage the parts located under the vehicle (floor under cover, canister, fuel tank) when raising the vehicle using the lift.(Refer to General Information - "Lift and Support Points")
1.Turn the ignition switch OFF and disconnect the battery (-) terminal.
2.Lift the vehicle.
3.Remove the rear-left wheel & tire and wheel house cover.
4.Separate the ventilation hoses (A).

5.Remove the fuel tank air filter (B) after loosening the mounting bolts (A).

6.Remove the ventilation hose (A) from the fuel tank air filter.

1.Install in the reverse order of removal.

Hyundai Tucson (NX4) 2022-2026 Owner's Manual: Scheduled Ventilation Control. Automatic Controls for the
Driver Based on Climate Control
System Settings
Scheduled Ventilation Control (if
equipped)
The Scheduled Ventilation Control
releases hot air in the vehicle to lower
the cabin temperature before getting in
the vehicle.
Depending on the outside ambient
temperature, the blower is operated for 5
to 15 minutes while the vehicle is park ...
Hyundai Tucson (NX4) 2022-2026 Service Manual: Joint Assembly (Transaxle side)
- Removal
• Drive shaft joints require special grease, so do not add any other type of grease.
• When replacing the boot band, it must be a new one.
1.Remove the front drive shaft.(Refer to Driveshaft Assembly - "Front Driveshaft")
2.Remove the transaxle side large ...